Folosim cookie-uri

Folosim cookie-uri pentru a analiza traficul, a ne aminti preferințele și a îmbunătăți utilizarea site-ului. Pentru a vă da consimțământul, faceți clic pe butonul "Sunt de acord".

Setări Sunt de acord

Puteți refuza consimțământul în orice moment.

Treci la continut

Avantajele detectorului de metale QUICKTRON 03 R

  • Opțiune economică - raport preț/performanță atractiv
  • Rentabilitate rapidă a investițiilor
  • Detector de metale prin cădere cu diametrul deschiderii de 30 - 200 mm
  • Capacitate de până la 44.800 litri/oră
  • Instalare extrem de simplă și rapidă
  • Sensibilitate de neegalat - captează murdăria cu un diametru de aprox. 0,5 mm
  • Pierderi minime de material bun
  • Înălțime redusă și dimensiuni compacte

Detector de metale prin cădere QUICKTRON 03 R

Detectorul de metale QUICKTRON 03 R este utilizat pentru detectarea particulelor metalice din materialele în vrac transportate prin gravitație prin conducte. Este adesea utilizat pentru detectarea metalelor nu numai în materiale plastice (granule, regranulate, fulgi,...), ci și în alte materiale în vrac.

Detectorul este complet automat și este echipat cu o supapă de închidere de mare viteză, care permite eliminarea foarte precisă a contaminanților și minimizează pierderea de produs bun.

Principalele avantaje ale acestui detector de metale sunt prețul scăzut, care permite o rentabilizare foarte rapidă a investiției, și ușurința de instalare.

Detectorul QUICKTRON 03 R este ușor de integrat în tehnologia existentă datorită înălțimii sale reduse și dimensiunilor compacte.

Acest detector este furnizat standard cu un orificiu de admisie cu diametrul de 30 - 200 mm.

Funcționarea unității de control este foarte simplă, unitatea este stabilă și durabilă.

Principalele avantaje ale unui detector de metale prin cădere

  • Detectează și separă automat toate metalele libere și ascunse în material.
  • Raport excelent preț/performanță.
  • Soluția ideală pentru curățarea unei mari varietăți de materiale concasate și protejarea utilajelor.
  • Instalare ușoară.

Principiul de funcționare a detectorului

Principiul de funcționare a detectorului QUICKTRON 03 RDetectorul de metale Quicktron este instalat într-o conductă care transportă material în vrac în cădere liberă. Materialul care urmează să fie inspectat trece prin bobina de detecție. Dacă materialul este contaminat cu un contaminant metalic, bobina detectează acest metal și emite un semnal pentru a deschide supapa de închidere. Contaminantul metalic și o parte din material sunt redirecționate către groapa de gunoi. Apoi, clapeta revine automat la poziția inițială. Funcționarea detectorului, inclusiv eliminarea contaminanților, este complet automată.

Datorită supapei de închidere de mare viteză utilizată, funcționarea sa este foarte rapidă și precisă, rezultând o pierdere minimă de material bun. Timpul de aruncare a materialului este reglabil.

QUICKTRON 03 R este un detector de metale prin cădere:

  • Fiabile - în funcționalitate și detectarea metalelor
  • Durabil - în tehnologie și performanță
  • Ușor - instalare și manipulare

Garantujeme provedení testů do tří dnůGarantăm testele in trei zile!

Vă asigurăm că dispozitivul nostru corespunde perfect așteptărilor dumneavoastră!
Vom efectua teste cu materialului dumneavoastră pe separatoarele noastre magnetice GRATUIT!

Echipamente opționale

Detectoarele QUICKTRON 03 R pot fi furnizate cu o gamă largă de echipamente suplimentare:

  • Dispozitiv de avertizare - baliză, buzzer
  • Compresor de aer
  • Rezervor de aer comprimat
  • Lungimea specială a cablului de conectare
  • Monitorizare - presiunea aerului, clapeta de închidere
  • Numărătoare de cicluri de eliminare

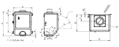
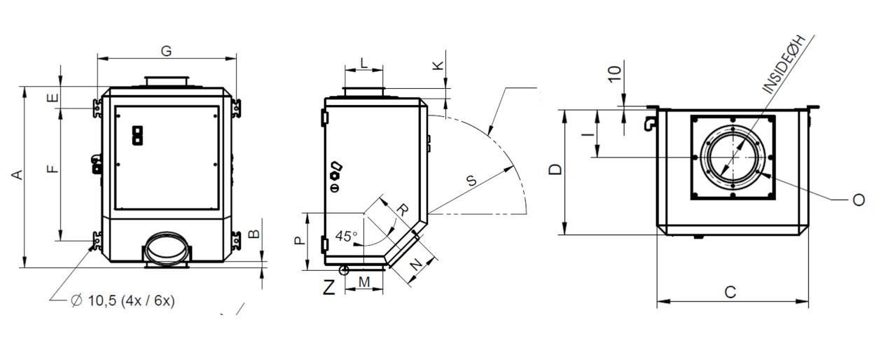
Dimensiuni

Dimensiuni detectorului de metale  QUICKTRON 03 R

DN 30DN 50DN 70DN 80DN 100DN 120DN 150DN 200
A 420 420 420 577 577 560 650 800
B 18 18 18 35 35 18 17 100
C 300 300 300 400 400 400 450 500
D 250 250 250 330 330 330 380 460
E 60 60 60 67,5 67,5 67,5 77,5 81
F 290 290 290 410 410 410 240/480 270/540
G 330 330 330 430 430 430 480 530
H Ø 32 Ø 45 Ø 70 Ø 80 Ø 98 Ø 111 Ø 142 Ø 177
I 95 95 95 125 125 125 160 165
K -0 -0 -0 35 28 28 36 37
L -0 -0 -0 NW Ø 80 NW Ø 100 NW Ø 120 NW Ø 150 NW Ø 200
M NW Ø 80 NW Ø 80 NW Ø 80 NW Ø 80 NW Ø 100 NW Ø 120 NW Ø 150 NW Ø 200
N NW Ø 80 NW Ø 80 NW Ø 80 NW Ø 80 NW Ø 100 NW Ø 120 NW Ø 150 NW Ø 200
O 4xM5/72 4xM5/72 4xM5/130 6xM5/Ø108 6xM5/Ø130 6xM5/Ø150 6xM5/Ø180 6xM5/Ø230
P 134 134 134 202 202 185 230 376
R 135 135 135 202 202 185 230 401
S 275 275 275 320 320 320 300 300
Hmotnost (kg) 18 18 18 37 37 37 48 61

De asemenea, putem furniza un detector de metale în cădere cu o înălțime, un diametru al deschiderii, un cadru etc. diferite, pentru a răspunde cerințelor dumneavoastră.

Vă vom solicita o specificație a modificărilor necesare și vom pregăti o ofertă exact pentru operațiunea dumneavoastră.

Tabelul capacității (debit) detectorului QUICKTRON 03 R

ModelQUICKTRON 03 R 30QUICKTRON 03 R 50QUICKTRON 03 R 70QUICKTRON 03 R 80QUICKTRON 03 R 100QUICKTRON 03 R 120QUICKTRON 03 R 150QUICKTRON 03 R 200
Capacitate - debit (l/oră) 1000 2800 5500 7200 11200 16100 25200 44800

Sensibilitatea detectorului

Sensibilitatea detectorului depinde de mai mulți parametri, cum ar fi diametrul deschiderii (cu cât diametrul deschiderii este mai mic, cu atât sensibilitatea detectorului este mai mare), viteza materialului, densitatea produsului, temperatura acestuia, umiditatea etc.

Pentru a selecta cel mai potrivit detector de metale cu sensibilitatea necesară pentru aplicația dvs., vă recomandăm să testați materialul. Vom efectua aceste teste gratuit. Vă rugăm să ne contactați pentru a aranja testarea și pentru a trimite mostre din materialul dumneavoastră.

Tabelul de sensibilitate al detectorului QUICKTRON 03 R

ModelQUICKTRON 03 R 30QUICKTRON 03 R 50QUICKTRON 03 R 70QUICKTRON 03 R 80QUICKTRON 03 R 100QUICKTRON 03 R 120QUICKTRON 03 R 150QUICKTRON 03 R 200
Diametrul deschiderii (mm) 30 50 70 80 100 120 150 200
Sensibilitate Bilă Fe (mm) 0,5 0,6 0,7 0,8 1,0 1,0 1,5 1,75

Unitatea de control AMD 03

O unitate de control de bună calitate este esențială pentru funcționarea corectă a oricărui detector. Unitatea noastră de control este fabricată cu un accent pe manopera și componentele de înaltă calitate.

Unitatea de control AMD 03Rezultatul este o unitate de control stabilă cu o gamă largă de funcții (doar pentru a numi câteva):

  • Operare simplă
  • Monitorizarea funcționalității corecte a sistemului
  • Suprimarea vibrațiilor transportoarelor
  • Service și diagnosticare ușoare
  • Unitate de echilibrare continuă
  • Detectarea optică și indicarea defecțiunilor

Domeniul de livrare

Detectoarele QUICKTRON 03 R sunt furnizate cu:

  • Cap de detecție
  • Unitate de control
  • Cabluri de conectare
  • Instrucțiuni de utilizare

Fișă tehnică (EN)

afișare PDF

  • Sursă de alimentare: 100 – 240 V AC, 50/60 Hz
  • Consum de energie: max. 50 W
  • Gradul de acoperire: IP 54
  • Temperatura minimă de funcționare: - 10 °C
  • Temperatura maximă de funcționare: + 50 °C
  • Umiditatea relativă a aerului: 0 - 95% (fără condensare)
  • Conectarea aerului presurizat: 6 – 10 bar
  • Consumul de aer comprimat: 0,2 l pe separare
  • Întârziere de oprire reglabilă: 0,14 - 19 s (reglabil)
  • Material: diametru max. 10 mm
  • Cablu de alimentare: 1,8 m cu ștecăr